来源: EETOP BBS 作者:weiboshe
一个简单的8位处理器完整设计过程及verilog代码,适合入门学习参考,并含有作者个人写的指令执行过程(点击下方 阅读原文 到论坛可下载源码)
- CPU定义
我们按照应用的需求来定义计算机,本文介绍一个非常简单的CPU的设计,它仅仅用来教学使用的。我们规定它可以存取的存储器为64byte,其中1byte=8bits。所以这个CPU就有6位的地址线A[5:0],和8位的数据线D[7:0]。我们仅定义一个通用寄存器AC(8bits寄存器),它仅仅执行4条指令如下:
除了寄存器AC外,我们还需要以下几个寄存器:
地址寄存器 A[5:0], 保存6位地址。
程序计数器 PC[5:0],保存下一条指令的地址。
数据寄存器 D[7:0],接受指令和存储器来的数据。
指令寄存器 IR[1:0],存储指令操作码。
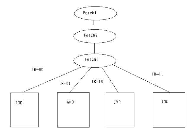
2. 取指设计
在处理器执行指令之前,必须从存储器取出指令。其中取指执行以下操作:
1〉 通过地址端口A[5:0]从地址到存储器
2〉 等待存储器准备好数据后,读入数据。
由于地址端口数据A[5:0]是从地址寄存器中读出的,所以取指第一个执行的状态是
Fetch1: AR<—PC
接下来cpu发出read信号,并把数据从存储器M中读入数据寄存器DR中。同时pc加一。
Fetch2: DR<—M,PC<—PC+1
接下来把DR[7:6]送IR,把DR[5:0]送AR
Fetch3: IR<—DR[7:6],AR<—DR[5:0] 
3. 指令译码
Cpu在取指后进行译码一边知道执行什么指令,对于本文中的CPU来说只有4条指令也就是只有4个执行例程,状态图如下:
4. 指令执行
对译码中调用的4个例程我们分别讨论:
4.1 ADD
指令ADD指令需要CPU做以下两件事情:
1〉 从存储器取一个操作数
2〉 把这个操作数加到AC上,并把结果存到AC
所以需要以下操作:
ADD1: DR<—M
ADD2: AC<—AC+DR4.
2 AND
指令AND指令执行过程和ADD相似,需要以下操作:
AND1: DR<—M
AND2: AC<—AC^DR
4.3 JMP指令
JMP指令把CPU要跳转的指令地址送PC,执行以下操作
JMP1: PC<—DR[5:0]
4.4INC指令
INC指令执行AC+1操作
INC1: AC<—AC+1
总的状态图如下:
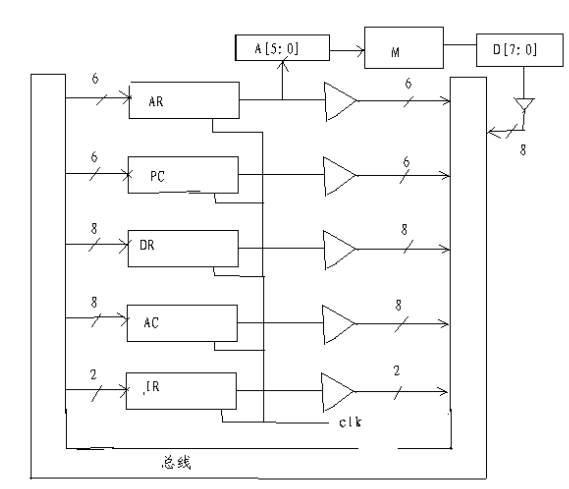
5 建立数据路径
这一步我们来实现状态图和相应的寄存器传输。首先看下面的状态及对应的寄存器传输: Fetch1: AR<—PC
Fetch2: DR<—M,PC<—PC+1
Fetch3: IR<—DR[7:6],AR<—DR[5:0]
ADD1: DR<—MADD2: AC<—AC+DR
AND1: DR<—M
AND2: AC<—AC^DR
JMP1: PC<—DR[5:0]
INC1: AC<—AC+1
为了设计数据路径,我们可以采用两种办法:
1〉创造直接的两个要传输组件之间的直接路径
2〉在CPU内部创造总线来传输不同组件之间的数据
首先我们回顾一下可能发生的数据传输,以便确定各个组件的功能。特别的我们要注意把数据载入组件的各个操作。首先我们按照他们改变了那个寄存器的数据来重组这些操作。得到如下的结果:
AR:AR<—PC;AR<—DR[5:0]
PC:PC<—PC+1;PC<—DR[5:0]
DR:DR<—MIR:IR<—DR[7:6]
AC:AC<—AC+DR;AC<—AC^DR;
AC<—AC+1
现在我们来看每个操作来决定每个组件执行什么样的功能,AR,DR,IR三个组件经常从其他的组件载入数据(从总线),所以只需要执行一个并行输入的操作。PC和AC能够载入数据同时也能够自动加一操作。下一步我们把这些组件连接到总线上来,如图所示:
如上图所示,各个组件与总线之间通过三态连接,防止出现总线竞争。AR寄存器送出存储器的地址,DR寄存器用于暂存存数起来的数据。到现在为止我们还没有讨论有关的控制信号,我们现在只是保证了所有的数据传输能够产生,我们将在后面章节来使这些数据传输正确的产生---控制逻辑。现在我们来看以下者写数据传输中有没有不必要的传输:
1〉 AR仅仅提供数据给存储器,所以他不需要连接到总线上。
2〉 IR不通过总线提供数据给任何组件,所以他可以直接输出到控制单元(后面章节)。
3〉 AC不提供数据到任何的组件,可以不连接到总线上。
4〉 总线是8bit宽度的,但是有些传输是6bit或者2bit的,我们必须制定寄存器的那几位送到总线的那几位。
5〉 AC要可以载入AC和DR的和或者逻辑与的值,数据路径中还需要进行运算的ALU。
由此我们做以下工作:
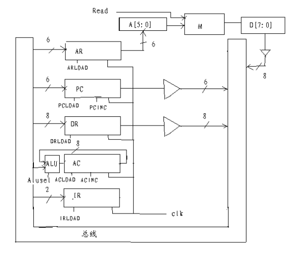
1〉 去掉AR,IR, AC与总线的连接。
2〉 我们约定寄存器连接是从总线的低位开始的。AR,PC连接到Bus[5:0],由于IR是接受DR[7:6]的,所以可以连接到总线的Bus[7:6]。
3〉 我们设定,AC作为ALU的一个输入,另一个输入来自总线Bus。
下面我们检查是否有争用总线的情况,幸运的是这里没有。修改后的CPU内部组织图如下:
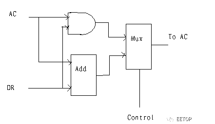
- ALU设计
这个CPU的ALU执行的功能就是两个操作数相加、逻辑与。这里不作详细介绍。电路如如下:
- 控制单元
我们来考虑如何产生数据路径所需的控制信号,有两种方法:硬布线逻辑和为程序控制。这里我们用硬布线逻辑来实现。这个简单的CPU需要的控制逻辑由三个部件组成:
1〉计数器: 用于保存现在的状态
2〉译码器: 生成各个状态的控制信号
3〉其他的组合逻辑来产生控制信号一个通用的控制单元原理图如下:

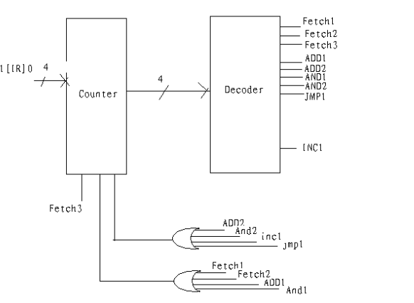
对于这个CPU来说,一共有9个状态。所以需要一个4bit的计数器和一个4-16的译码器。接下来的工作就是按照前面的状态转换图来对状态进行赋值。
首先考虑如何的对译码输出状态进行赋值才能达到最佳状态。我们按照以下规则:
1〉给Fetch1赋计数器的0值,并用计数器的清零端来达到这个状态。由这个CPU的状态图可以看出,除了Fetch1状态外的状态都只能由一个状态转化而来,Fetch1需要从4个分支而来,这4个分支就可以发出清零信号(CLR)来转移到Fetch1。
2〉把连续的状态赋连续的计数器值,这样就可以用计数器的INC输入来达到状态的转移。
3〉给每个例程的开始状态赋值时,要基于指令的操作码和这个例程的最大状态数。这样就可以用操作码来生成计数器的LD信号达到正确的状态转移。首先,在Fetch3状态发出LD信号,然后要把正确的例程地址放到计数器的输入端。对这个CPU来说,我们考虑以地址1 [IR] 0作为计数器的预置输入。则得到状态编码如下:
如上表所示,下面我们需要设计产生计数器的LD、INC、CLR等信号,总的控制单元的逻辑如下图:
下面我们用这些译码信号来产生数据路径控制所必需的AR、PC、DR、IR、M和ALU的控制信号。首先考虑寄存器AR,他在Fetch1状态取PC的值,并在Fetch3状态取DR[5:0]的值,所以我们得到ARLOAD=Fetch1 or Fetch3。以此类推我们可以得到如下结果:
PCLOAD=JMP1
PCINC=Fetch2
DRLOAD=Fetch1or ADD1 or AND1
ACLOAD=ADD2 or AND2
IRLOAD=Fetch3
对于ALU的控制信号ALUSEL是用来控制ALU做逻辑或者算数运算的,所以有:
ALUSEL=AND2
对于片内总线的控制较为复杂,我们先来看DR,对于DR他只在Fetch3、AND2 、ADD2和JMP1状态占用总线进行相信的数据传输,所以有:
DRBUS=Fetch3 or AND2 or ADD2 or JMP1
其他类似有:
MEMBUS=Fetch2or ADD1 or AND1
PCBUS=Fetch1
最后,控制单元需要产生存储器的读信号(READ),它发生在Fetch2、ADD1、AND1三个状态:
READ=Fetch2or ADD1 or AND1
这样我们得到了总的控制逻辑,完成了整个CPU的设计。
8. 设计验证
我们执行如下指令进行设计验证,
0:ADD4
1:AND5
2:INC
3:JMP0
4:27H5:
39H指令执行过程如下(初始化所有寄存器为全零态):
评论 (0)